|
|
Lån  


 
Annonce:




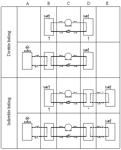
Indirekte anlæg:
De indirekte anlæg, er opdelt i en sekundær kølekreds (vand, glycol eller brine) og en primær kølekreds (kølemiddel). Det betyder minimal kølemidelfyldning efter evt. lækage. Man skal derved ikke have kølemiddel rundt i hele bygningen.

Direkte anlæg:

Ved direkte ekspansion anvendes kompressoreffekt ved ethvert kølebehov, mens de indirekte anlæg giver mulighed for at benytte frikøling, dvs. at man anvender udeluften til køling af vandet. Ved at anvende udeluften til at køle procesvandet, når det er muligt, kan man i kølige perioder reducere energiforbruget til et minimum.

Oversigt over anlægstyper:

A : Køletårn/fordampningskøler
B : Kondensator (veksler)
C : Kompressor/Ekspansionsventil
D : Fordamper med direkte køling
E : Køleobjekt ved indirekte køling











Information på sider:

Lovkrav til køling - Fordampningskøler - Gode råd om køling - COP - Frikøling - Anl&lig;gstyper - Varmepumpen - Køleanl&lig;g -



 Du er her: Køling - Køling -